
空调电子膨胀阀由线圈通过电流产生磁场并作用于阀针,驱动阀针旋转,当改变线圈的正、负电源电压和信号时,电子膨胀阀也随着开启、关闭或改变开启与关闭间隙的大小,从而达到控制系统中制冷剂的流量及制冷、热量的大小。阀芯开启越小,制冷剂流量越小,其制冷、热量越大。
空调电子膨胀阀常见故障主要有:
1、 空调电子膨胀阀线圈短路或开路
首先确定线圈是否牢固固定在阀体上,并用万用表测量电子膨胀阀线圈两公共端与对应两绕组的阻值,正常情况时应约为50欧,当为无穷大时为开路,当过小时为短路,此时应进行更换。
2、空调电子膨胀阀阀针卡死
空调电子膨胀阀断电时电子膨胀阀应复位,通过听声音、模振动判定阀针是否有问题。
在关机状态下阀芯一般处在最大开度,此时断开线圈引线,然后开机运行,如果此时制冷剂无法通过,可以判断空调电子膨胀阀阀针卡死。
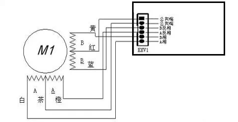
3、空调电子膨胀阀原理图,接线图
市场主流空调电子膨胀阀,控制脚分别是1、公共端,2、公共端,3、B反相,4、A反相,5、B相,6,A相